name

P-50iB
P-50iB

P-50iB

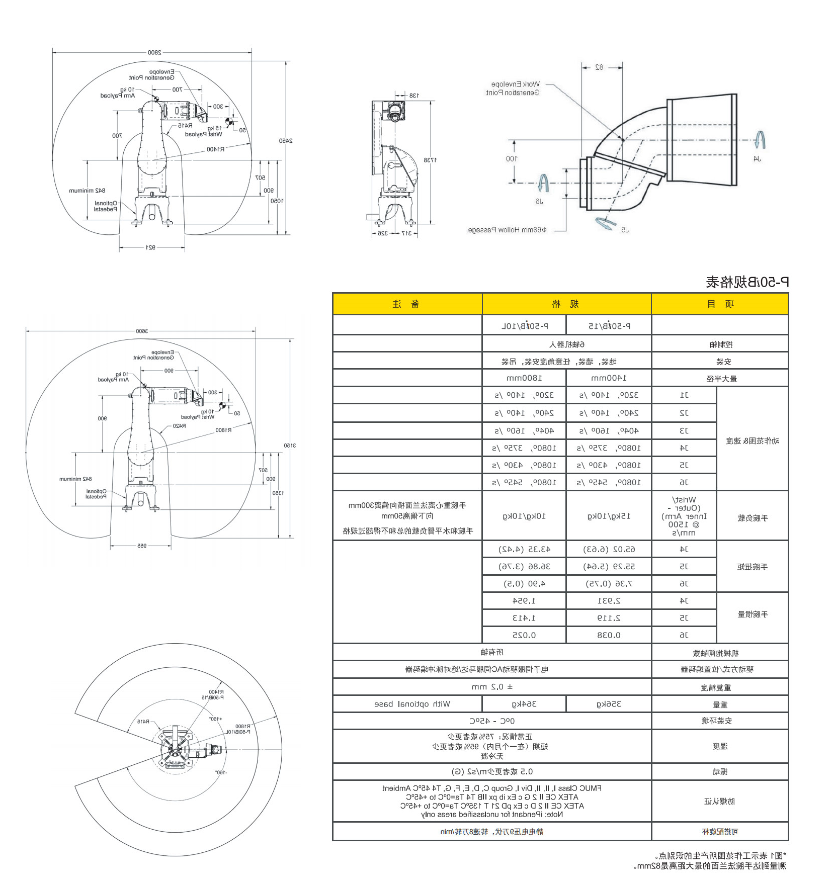
Paint Robot P-50iB喷涂机器人是高度灵活和技术先进的六轴喷头机器人。该款机器人可以应用于喷头领域,它多样性的安装配置,能够满足苛刻的涂装应用。可选的内置比例阀和电磁阀能够更好地提供整体性能和喷涂质量。

P-50iBP-50iB

P-50iB

Paint Robot P-50iB喷涂机器人是高度灵活和技术先进的六轴喷头机器人。该款机器人可以应用于喷头领域,它多样性的安装配置,能够满足苛刻的涂装应用。可选的内置比例阀和电磁阀能够更好地提供整体

P-10iA

P-10iA机器人的出现,实现了更大的可达半径,适应于更广阔的喷涂应用,Small painting just got bigger!
作为一款紧凑型机器人,P-10iA的可达半径达到了13